ISO9001, Ce, RoHS Approved Industrial Reaction Torque Sensor

Customization: Available
Pattern: Torque Sensor
Transform Type: Resistance Strain

Product Description

Basic Specifications

Model NO.
NS-NJ12
Out-Wire
4-Wire
Output Signal
Analog Type
Feature
Corrosion Resistant
Process
Integration
Material
Stainless Steel
IP Rating
IP50
Certification
CE, RoHs
Type
Torque Sensor
Origin
China
Capacity
100,000 Pieces/Month

Reactive Torque Sensors Overview

Reactive Torque Sensors are designed for non-rotating, static, or reaction torque measurements. A static measurement involves little or no rotation of the item being tested, making it ideal for applications like torque spanner testing.

Reaction Torque Sensor 1
Reaction Torque Sensor 2
Reaction Torque Sensor 3
Reaction Torque Sensor 4
Reaction Torque Sensor 5

Performance Features

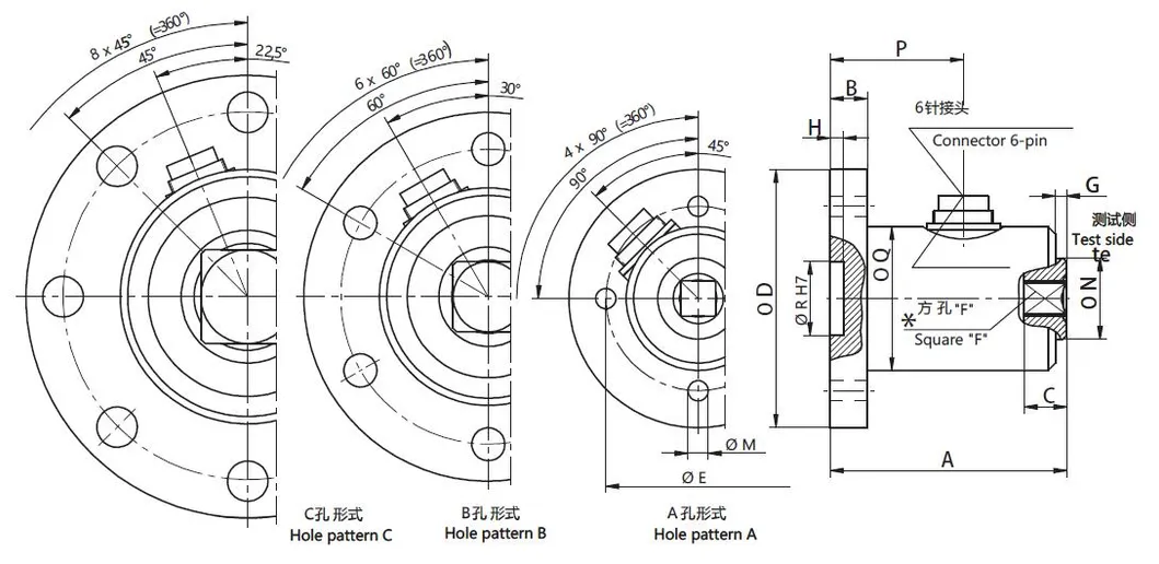
  • Torque sensor for survey of assembly tools, screws, and nuts
  • Equipped with flange and standard inside square end
  • Optimized very short axial length
  • High torsional stiffness for precise measurement
  • Simple handling and easy assembly
  • Special versions and customization available on request

Industrial Applications

  • Monitoring of production and assembly processes
  • Process measuring and control technology
  • Automotive industry testing
  • Measuring and control devices
  • Tooling engineering
  • Special mechanical engineering
Technical Diagram 1
Technical Diagram 2
Dimensions 1
Dimensions 2

Frequently Asked Questions

Q1: What is the main difference between static and rotary torque measurement? A: Static (reaction) torque measurement involves little to no rotation of the object, while rotary measurement captures torque while the part is continuously spinning.
Q2: Can the NS-NJ12 sensor be used in corrosive environments? A: Yes, this model is specifically designed to be corrosion-resistant and is manufactured from high-quality stainless steel.
Q3: Is the sensor compatible with standard assembly tools? A: Yes, it features a standard inside square end and a flange, making it easy to integrate with most assembly tool survey setups.
Q4: Does this product come with any quality certifications? A: The sensor is fully compliant with CE and RoHS standards, ensuring it meets international safety and environmental requirements.
Q5: Can I request a customized version of this torque sensor? A: Absolutely. Special versions and customizations are possible on request to meet specific engineering or spatial requirements.
Q6: What is the IP rating for this sensor? A: The NS-NJ12 has an IP50 rating, providing protection against dust ingress suitable for indoor industrial environments.

Related Products