HONEYWELL PLC Module FC Series FC-SDIL-1608 V1.3 FC-SDOL-0424 V1.2 FC-SICC-0001-L10 Controller Module

Customization: Available
Task: Check datasheet
Structure: Check datasheet

Product Description

Basic Information
Model NO.FC-SICC-0001-L10
Mathematical ModelCheck datasheet
ConditionNew
Warranty1 Year
Weight0.12kg
Part NumberFC-SDOL-0424 V1.2
Lead TimeIn Stock
TrademarkHoneywell
OriginUSA
H/S CODE8537101190
Product Description

HONEYWELL PLC Module FC Series FC-SDIL-1608 V1.3 / FC-SDOL-0424 V1.2 / FC-SICC-0001-L10

FC-SDIL-1608 V1.3 Digital Input Module
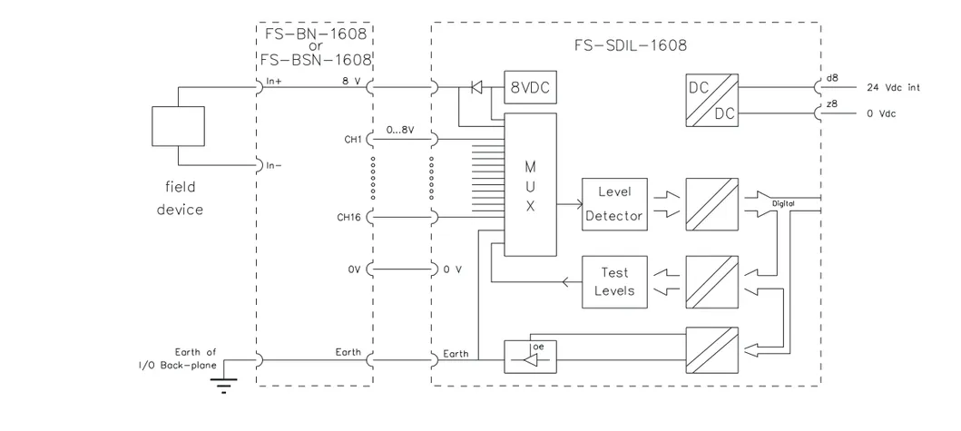
The SDIL-1 608 digital input module has sixteen channels for either loop-monitored loops or status signals derived from proximity switches, as set in DIN 19234 (NAMUR). The module also supports monitoring of earth faults that occur within these sixteen loops. The SDIL-1 608 module can be used in applications up to SIL 3, in compliance with IEC 6 1508. The power for the connected field devices is supplied by an on-board DC/DC converter common to all sixteen channels.
Schematic diagram for connection

Figure: Schematic diagram for connection of inputs to SDIL-1608 module

FC-SDOL-0424 Safe Digital Output Module
The safe loop-monitored digital output module SDOL -0424 has four 24 V DC, 1 A loop-monitored output channels to drive loads up to 24 W. The maximum module load is 3.6 A. These loads may be resistive or inductive. For inductive loads, a suppression diode is included on each output. The outputs are fully tested for safe applications including ability to de-energize, lead breakage detection, and short-circuit detection.
FC-SICC-0001-L10 Technical Specifications
MaterialPremium-grade, corrosion-resistant alloy
Conductor GaugeAWG 24 for superior conductivity
Insulation TypeTeflon for high-temperature resistance
Shielding40% braid for EMI/RFI protection
Data RateUp to 1 Gbps for ultra-fast communication
Temperature Range-40°C to +85°C for versatile use
Safety System Info
What is Honeywell Safety Manager?
Safety Manager is the logic solver of a Safety Instrumented System (SIS) performing specific Safety Instrumented Functions (SIF) to ensure that risks are kept at predefined levels. It measures process signals like temperature, pressure, and level independently from the Basic Process Control System (BPCS).
Safety Manager Architecture

Safe and Secure: Achieved Embedded Device Security Assurance (EDSA) certification, protected from cyber attacks.

High Availability: QMR 2oo4D architecture allows uninterrupted process operation and maintenance without jeopardizing SIL 3 levels.

Product Showcase
Product View 1
Product View 2
Product View 3
Related Components
HONEYWELL MU-FOED02 HONEYWELL MC-TAOY22 HONEYWELL MC-PDIY22
HONEYWELL MU-FOED02 HONEYWELL MC-TAOX52 HONEYWELL MC-PAOX03
HONEYWELL MP913C1066-1 HONEYWELL MC-TAOX12 HONEYWELL MC-PAIH03
HONEYWELL MC-TSTX13 HONEYWELL MC-TAOX12 HONEYWELL MC-PAIH03
HONEYWELL MC-TSTX03 HONEYWELL MC-TAMT04 HONEYWELL MC-IOLX02
Frequently Asked Questions
Q: Is your product new or refurbished?
A: All products are original new and come with a one-year warranty.
Q: How soon will the goods arrive after I place an order?
A: Once payment is received, products are shipped immediately. It typically takes 3-5 days for delivery from our warehouse to your location.
Q: Can you ship to my country?
A: Yes, we provide worldwide shipping services to ensure you receive your components regardless of your location.
Q: What payment methods do you accept?
A: We primarily accept T/T (Telegraphic Transfer), which typically processes within 1-2 business days.
Q: What is the safety rating for these modules?
A: Modules like the FC-SDIL-1608 are suitable for applications up to SIL 3, in compliance with IEC 61508 standards.
Q: How can I obtain more technical details?
A: You can request the full datasheet for any specific model to verify mathematical models and signal compatibility.

Related Products